| | 调制电路与解调电路 文章长度[ 12625] 加入时间[ 2006/7/1] 更新时间[ 2026/4/3 16:16:48] 级别[ 3] [ 评论] [ 收藏] 调制电路与解调电路
一、调幅电路
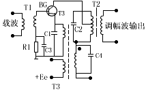
调幅电路是把调制信号和载波信号同时加在一个非线性元件上(例如晶体二极管或三极管)经非线性变换成新的频率分量,再利用谐振回路选出所需的频率成分。 调幅电路分为二极管调幅电路和晶体管基极调幅、发射极调幅及集电极调幅电路等。 通常,多采用三极管调幅电路,被调放大器如果使用小功率小信号调谐放大器,称为低电平调幅;反之,如果使用大功率大信号调谐放大器,称为高电平调幅。 在实际中,多采用高电平调幅,对它的要求是:(1)要求调制特性(调制电压与输出幅度的关系特性)的线性良好;(2)集电极效率高;(3)要求低放级电路简单。 1、基极调幅电路 图1是晶体管基极调幅电路,载波信号经过高频变压器T1加到BG的基极上,低频调制信号通过一个电感线圈L与高频载波串联,C2为高频旁路电容器,C1为低频旁路电容器,R1与R2为偏置的分压器,由于晶体管的ic=f(ube)关系曲线的非线性作用,集电极电流ic含有各种谐波分量,通过集电极调谐回路把其中调幅波选取出来,基极调幅电路的优点是要求低频调制信号功率小,因而低频放大器比较简单。其缺点是工作于欠压状态,集电极效率较低,不能充分利用直流电源的能量。 2、发射极调幅电路 图2是发射极调幅电路,其原理与基极调幅类似,因为加到基极和发射极之间的电压为1伏左右,而集电极电源电压有十几伏至几十伏,调制电压对集电极电路的影响可忽略不计,因此射极调幅与基极调幅的工作原理和特性相似。 3、集电极调幅电路 图3是集电极调幅电路,低频调制信号从集电极引入,由于它工作于过压状态下,故效率较高但调制特性的非线性失真较严重,为了改善调制特性,可在电路中引入非线性补尝措施,使输入端激励电压随集电极电源电压而变化,例如当集电极电源电压降低时,激励电压幅度随之减小,不会进入强压状态;反之,当集电极电源电压提高时,它又随之增加,不会进入欠压区,因此,调幅器始终工作在弱过压或临界状态,既可以改善调制特性,又可以有较高的效率,实现这一措施的电路称为双重集电极调幅电路。 采用图4的集电极、发射极双重调幅电路也可以改善调制特性。注意变压器的同名端,在调制信号正半波时,虽然集电极电源电压提高,但同时基极偏压也随之变正,这就防止了进入欠压工作状态;在调制信号负半波时,虽然集电极电压降低,但基极度偏压也随之变负,不致进入强过压区,从而保持在临界、弱过压状态下工作。
 图三、集电极调幅电路
图四、双重调幅电路
二、幅度检波电路
从调幅波中取出调制信号的过程,称为幅度检波,常用的检波电路有三种:小信号平方律检波,大信号包络全波和乘积检波,对检波器的要求有以下三点: (1)检波效率(电压传输系数) 若检波器输入等幅高频电压峰值为Uc,检波后的输出电压为Uo,则检波效率K定义为:K=Uo/Uc 若检波器输入为包络调幅波,则检波效率寂静义为输出低频电压幅度UΩ与输入高频电压包络幅度 mUc之比: K=UΩ/mUc 式中:m是调幅系数。K越大说明同样的输入情况下可以得到较大的低频输出信号,即检波效率高。 (2)检波失真 它反映输出低频电压波形和输入已调波包括形状的符合程度。 (3)输入电阻Ri 由检波器输入端看进去的等效电阻称为输入电阻Rio,通常检波器接于中频放大器的输出端,Ri看作是它的负载。因此,Ri越大对中频放大器的影响就会越小, 1、小信号平方律检波器
图5(a)是小信号检波电路。其特点是:(1)输入高频信号ui(t)的幅度为几十毫伏量级;(2)选择适当的偏置电压使工作点Q处于伏安特性的弯曲段上[见图5(b)],在整个高频信号周期内均有电流通过二极管。经理论分析得该检波器的输出电压u2与输入电压U c成正比,平方律检波正是由此得名,其参数如下: (1)检波效率K=UΩ/mUc=Ra2Uc/(1+a1R [考题输出电压反作用] 式中:R为检波器负载电阻,Uc为高频调幅波的载波幅度,a1、a2为与工作点电流有关的系数,在室温情况下其值近似为: a1=38Io 及 a2=0.74×10 Io (Io的单位为安培) 若检波器的工作点电流选定为Io=20微安,R=4.7千欧, Uc=50毫伏则检波效率为: K=Ra2Uc/(1+a1R)=(4.7×10 ×0.47×10 ×20×10 ×50×10 )/(1+38×20×10 ×4.7×10 )=0.76 (2)非线性失真,由于二次谐波与基波相距很近,不易清除干净,故常用二次谐波失真系数y来估计失真的大小。其值为: y=m/4 由式可见,调幅系数m越大则y越大,失真越严重,一般情况下m≈30%,则y≈7.5% (3)输入阻抗Ri,指数波频率为ωc的交流阻抗。从图5(a)中可见,对ωc而言,C看作短路,所以Ri等于二极管的交流电阻rd,在室温情况下其值为: Ri=rd=26×10 /Io
若Io=20微安,则Ri=(26×10 )/20×10 =1.3千欧 小信号检波的缺点是:输入阻抗低,非线性失真严重,
2、大信叼峰值包络检波 如图6(a)是大信号检波电路,由于输出电压交流部分与调制信号最大值成正比,故又称为直线性检波,其特点是:(1)输入电压幅度一般500毫伏以上;(2)没有偏置电压E,由于输出电压的反作用,实际上工作点处于u<0的区段[见图6(b)]。因此,大信号检波二极管,在载波一周期内,只有一段时间寻通,而另一段时间截止。大信号峰值二极管检波器的主要参数计算如下: K=cosθ
图5
图6
式中:θ为半导通角,它取决于rd/R值,两者关系为 rd/R=(tgθ-θ)/π 可根据rd/R值,通过表一直接查出K值 (2)输入阻抗Ri Ri/R=(tgθ-θ)/(θ-sinθcosθ) 可见,输入阻抗Ri决定于θ角,即决定于rd/R值,因此,可以根据rd/R值,通过表一直接查出输入阻抗Rio (3)检波失真 常有两类失真:一类对角切割失真,二是底边切割失真, 图7示出对角切割失真情况,产生该失真的原因是滤波时间常数RC选得过大,以致滤波电容的放电速率跟不上包络变化速率所造成的,要防止对角切割失真现象,时间常数RC应满足下式关系:RC<( /m)×(TΩ/2π)式中:m为调幅系数,TΩ=2π/Ω,若m=0.3时,则得RC<0.5TΩ
图 7
另一种切割失真是由于检波器的低频交流负载与直流负载电阻不同而引起的,通常检波被输出的低频电压经耦合电路[图7(a)中的R1C1]再送至低频放大器中去由于C1数值很大,(约为10微法)它的两端降有直流电压为载波幅度的平均值Uco若R1<R时,该电压大部分落在R两端上,以致在音频包络负半波时,输入电压可能低于R两端的直流电压,于是二极管截止,输出信号不再随输入信号包络的下降而改变,产生如图7-b的底边切割失真,要避免此失真,应满足下式 m<R1/(R1+R) 式中:R为直流电阻,交流电阻R-=R//R1。不失真条件可写为m<R-/Ro、图8(a)是晶体管收音机的滤波电路,R1R2滤除464千赫载波信号的滤波器,电源-Ec经R3、R4供给二极管几十微安的偏置电流,接入偏置电流的目的是提高检波效率,M点电压经C3、C4滤波后送至前级产生自动增益控制。 图8(b)是电视接收机的滤波电路,由于调制信号为高达6兆赫的图象信号,为防止对角切割失真,电容C1只选10皮法,但只靠它滤除载波还不够,还要接入LC2滤波器,二极管串接小电阻200欧使信号增大,补偿二极管内阻的减小,从而使传输系数相对稳事实上,检波线性也得到改善。
图8 收音机和电视机的检波电路
1、 本站不保证以上观点正确,就算是本站原创作品,本站也不保证内容正确。 2、如果您拥有本文版权,并且不想在本站转载,请书面通知本站立即删除并且向您公开道歉! |