注意:访问本站需要Cookie和JavaScript支持!请设置您的浏览器! 打开购物车 查看留言付款方式联系我们
初中电子 单片机教材一 单片机教材二
搜索上次看见的商品或文章:
商品名、介绍 文章名、内容
首页 电子入门 学单片机 免费资源 下载中心 商品列表 象棋在线 在线绘图 加盟五一 加入收藏 设为首页
本站推荐:
重复式定时电路
文章长度[2075] 加入时间[2007/1/4] 更新时间[2026/5/16 15:53:59] 级别[0] [评论] [收藏]

作者:武峰 来源:未知

  这是一种用555时基集成电路构成的重复式定时电路(又称双重式定时电路或双向定时电路)。所谓重复式定时电路即指它能使被控电器重复地定时工作和停止,也就是说,它不仅能使被控电器定时关闭,而且在关闭之后还能再自动的定时开启。
  这种重复式定时电路主要由一块555时基集成电路构成。它具有线路简单、工作稳定可靠、安装使用方便等特点。在此电路中,其被控电器的开启和关闭时间可以分别调整,互不影响,具有较高的实用价值。
  工作原理

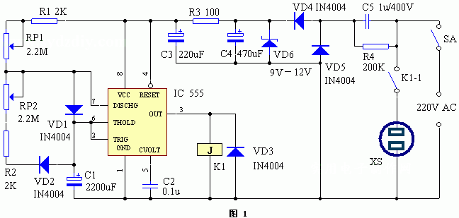
  此重复式定时电路的电路原理图如图1所示(点击下载原理图)。图中IC555与RP1、R1、RP2、R2、VD1、VD2及C1等组成了一个无稳态电路,其输出端(第3脚)的高低电平转换时间由电容器C1的充放电时间决定,这个时间即分别是被控电器的开启和关闭时间。由此可见,只要调整电容C1的充电和放电时间,即可达到调整被控电器的开启和关闭时间的目的。在此电路中,为了使电容C1的充电和放电时间能单独调整而互不影响,故加入了二极管VD1和VD2。
  电路的工作过程简述如下:在合上开关SA后,220V交流电压经C5和R4(C5的放电电阻)降压和VD4、VD5整流及VD6、R3、C3、C4 稳压滤波后给IC555提供一个较为稳定的直流电压。在刚合上SA时,因电容C1两端的电压为零且不能突变,故此时IC的②、⑥脚为低电平,③脚输出高电平,继电器K吸合,插座XB得电,被控电器开始工作。与此同时,因IC的③脚为高电平,故其⑦脚也为高电平,二极管VD1导通、VD2截止,电源通过RP1和R1给C1充电,充电速度由RP1调整。当C1上的电压充至2/3电源电压(Ucc)时,IC的②、⑥脚变为高电平,③脚相应变为低电平,继电器K1释放,插座XB失电,被控电器停止工作。与此同时,因IC的③脚变为低电平,故其⑦脚也将变为低电平,二极管VD1截止、VD2导通,电容C1通过R2、RP2放电,放电速度由RP2调整。C1上的电压减至1/3电源电压时,IC的②、⑥脚又变为低电平,整个电路又将重复上述的工作过程。

  该电路工作过程中,其IC的②脚和③脚的电压变化过程如图2所示。其中,TH为被控电器的工作时间,TL为被控电器的休止时间。在此须注意的是,在第一次刚开机工作时,被控电器的工作时间比以后的工作时间略长,工作时间为TH+Ts但通常Ts较小,故对整个电路的时间标定影响不大。
  元件的选择
  在该电路中,集成电路IC可选用NE555、MA555、LM555、5C1555等时基电路;继电器K1可选用额定工作电压在9V-12V之间的中小功率继电器,其触点功率的大小应根据被控电器的功率大小选定;稳压二极管VD6可选稳压值在12V左右的,如 2DW21等;电容器C5应选用耐压在400V以上的无极性电容器。其它元件无特殊要求,只要按图1中所标的参数选用即可。
  安装与调试
  在图1所示的电路中,除电位器RP1和RP2外,其余元件均可安装在一块印制电路板上,整个电路在安装完毕并检查确信无误后方可通电调试。
  在电路通电后,应首先把RP1和RP2调至阻值最小处(阻值为零),此时继电器K应不断地吸合和释放,其吸合和释放时间分别由R1和R2的阻值决定,按图中所给的数值,其吸合和释放时间约为5秒左右。如通电后,继电器一直不吸合或吸会后一直不释放,均说明电路存在故障,此时可暂时把继电器和VD3与IC的3脚断开,然后用万用表的电压档测3脚的电压,看其是否在高电平(约10V左右)和低电平(OV)之间不断地变化。如变化,则说明无稳态电路部分正常,故障出在继电器K和保护二极管VD3上。如IC的3脚电压不变化(一直为高或低),则说明无稳态电路部分有故障。
  电路正常工作后,即可在RP1和RP2的旋钮处进行时间标定。如按图1中所给的数据选择,最长定时工作和休止时间分别约为60分钟左右。

1、 本站不保证以上观点正确,就算是本站原创作品,本站也不保证内容正确。
2、如果您拥有本文版权,并且不想在本站转载,请书面通知本站立即删除并且向您公开道歉! 以上可能是本站收集或者转载的文章,本站可能没有文章中的元件或产品,如果您需要类似的商品请 点这里查看商品列表!
本站协议 | 版权信息 |  关于我们 |  本站地图 |  营业执照 |  发票说明 |  付款方式 |  联系方式
深圳市宝安区西乡五壹电子商行——粤ICP备16073394号-1;地址:深圳西乡河西四坊183号;邮编:518102
E-mail:51dz$163.com($改为@);Tel:(0755)27947428
工作时间:9:30-12:00和13:30-17:30和18:30-20:30,无人接听时可以再打手机13537585389