注意:访问本站需要Cookie和JavaScript支持!请设置您的浏览器! 打开购物车 查看留言付款方式联系我们
初中电子 单片机教材一 单片机教材二
搜索上次看见的商品或文章:
商品名、介绍 文章名、内容
首页 电子入门 学单片机 免费资源 下载中心 商品列表 象棋在线 在线绘图 加盟五一 加入收藏 设为首页
本站推荐:
PM50系列智能语音芯片
文章长度[] 加入时间[2008/3/30] 更新时间[2026/3/30 23:47:55] 级别[0] [评论] [收藏]
  PM50系列智能语音芯片是中青世纪科技公司2003年最新开发的智能语音产品,它既是语音播放电路,也是智能单片机。其音质水平、价格都要略优于著名的ISD电路,同时也有21KHZ高保真音质。而其开发设计简单度、智能控制的简单度、整体性价比等指标要远胜过ISD,而如果用量超过1~3万片,可以原样投产掩膜片,价格更低至五分之一。可以说,该芯片连同具有USB电脑接口的atvoc-PM50语音编程开发系统一起,开创了数码语音电路的新纪疑难杂症元,是智能语音电路的一场革命。
  该芯片由专用的语音单片机和FLASHRAM存储器集合构成,它既有几秒到100秒的多段语音播放功能,也有单片机可编程的智能特性,大规模复杂电路已经缩微到只有COB28封装(18*36mm)的印板上,可以方便地作为DIP28封装的标准集成电路来使用。 根据用户减少体积需求,我们设计了COB16封装(10*20mm)
一、特点
(1)、 使用上可以和普通音乐片一样简单方便
(2)、 FLASHRAM结构,可以反复擦写录入,寿命在1万次以上
(3)、 电源电压3~6V,静态电流1uA,工作电流50mA
(4)、 直接驱动8欧姆0.5瓦的喇叭
(5)、 一系列多规格可互换,开发系统共用
(6)、 录制的语音可分1~8段或128段
(7)、 自带八个输入端口,九个输出端口,功能均可由用户自定义
(8)、 开发系统采用最新的USB电脑接口
(9)、 开发用的电脑软件系超智能傻瓜图形设计,外行也能使用
(10)、配合编程软件可以开发出并行、串性、智能型等多种控制模式
(11)、开发系统支持用户对PM50芯片在线编程(ISP)
(12)、音质比著名的ISD产品略好,同时也有21KHZ高保真音质。
(13)、最小系统的外围电路只需一只振荡电阻、一只电源滤波电容。
(14)、有13/20/50/100秒多个时间档次可选。
(15)、完成开发和试验生产后,直接用源文件投产掩模芯片,电路设计、音质效果、功能性能不变。
二、PM50系列编号及功能

型号
功能特点
封装
备注
PM5013
FLASH,13秒,1~128段
COB28
PM5020
FLASH,20秒,1~128段
COB28
PM5050
FLASH,50秒,1~128段
COB28
PM50100
FLASH,100秒,1~128段
COB28
PM50SS13
FLASH,13秒,1~128段
COB16
PM50SS20
FLASH,20秒,1~128段
COB16
PM50SS50
FLASH,50秒,1-128段
COB16
PM5108
MASK,8秒,1~8段
裸片
PM5112/16/20/24
MASK,12/16/20/24秒,1~128段
裸片
PM5132/40/48
MASK,32/40/48秒,1~128段
裸片
PM5164/80/96
MASK,64/80/96秒,1~128段
裸片
三、PM50外围管脚图和实物照片
PM50的管脚定义表
PM50SS(COB16)管脚定义表
脚号
名称
用途
脚号
名称
用途
1
GND
电源地端
16
FM
编程端
2
FC
编程端
15
FD
编程端
3
FA
编程端
14
FK
编程端
4
K1
输入
13
RET
复位端
5
K2
输入
12
OUT1
输出1
6
ROSC
振荡电阻
11
LED1
指示灯
7
SP1/DAC
喇叭端
10
K5
输入3
8
SP2
喇叭
9
VDD
正电源端

PM50SS(COB28)管脚定义表
脚号
名称
用途
 
脚号
名称
用途
1
GND
电源地端
 
15
VDD
正电源
2
FC
编程端
 
16
LED1
指示灯
3
FA
编程端
 
17
08
输入8
4
K1
输入1
 
18
07
输入7
5
K2
输入2
 
19
06
输出输入6
6
k3
输入3
 
20
05
输入5
7
k4
输入4
 
21
04
输入4
8
k5
输入5
 
22
03(LED2)
输入3
9
k6
输入6
 
23
02
输入3
10
k7
输入7
 
24
OUT1
输入1
11
k8
输入8
 
25
R
复位
12
ROSC
振荡电阻
 
26
FK
编程端
13
SP1/DAC
喇叭1
 
27
FD
编程端
14
SP2
喇叭2
 
28
FM
编程端

附:
1 、振荡电阻上拉到正电源,在正常品质下振荡电阻一般取值240K标准值是255K);在高级品质(HQ)下 振荡电阻一般取值120K 。
2、 PM50 板上可以焊接两个器件:滤波电容0.1UF(已贴装),振荡电阻240K,可选贴片器件。装上后,外部不需要再装。
四、PM50典型应用电路图
(八段语音并行或智能控制输入、九个LED控制输出,K1~K8单键对单段或组合的多段,可选循环/电平/边沿触发等,九个LED可智能输出)

五、PM50的最小系统(仅一片PM50芯片就可以作为一个小的语音系统,下图是单段单灯,或单键顺序多段放音。振荡电阻及滤波电容板载,用户只需要外接喇叭、电源、按键就可以工作了。)

六,PM50音频输出方式PWM和DAC(在编程软件上确定)
音频输出方式的选择,,首先需要在编程软件中设定,烧写芯片后按照以下说明连接
(1)PWM方式
PM50芯片13和14脚直接接喇叭端,直接驱动8欧姆0.5W喇叭。示意图见<PM50最小系统>。 注:任何喇叭端严禁接地或串接喇叭后直接接地或正电源。
(2)DAC方式
PM50芯片的13脚(SP1/DAC)作为音频输出,14脚(SP2)悬空。

七、PM50外接功放设计
采用MC34119,功率0.5W
建议需要外接功放时,采用DAC音频输出方式。
注:MC34119的放大倍数计算为Gain=2*R4/R3R4用电位器代替可实现音量调节。
八、
在线编程(ISP)是指设计人员能够在用户板上、不把芯片单独拿下来就能实现声音录制、修改、编程工作,能非常方便产品在成品化后做后期修改、调试工作,这在很多应用上非常重要。

九、PM50的标准串行控制方式须由外部单片机接口,发串行指令控制放音的段号,段数最大128段,专用于语音组合用。如报温度、报数、语音辞典用等。

在该串行模式下,K5、K7端连接按键就赋予了特殊的演示、测试功能,K5端每按键一次即顺序播放一段,可以逐段听取所有段的语音内容和效果;K7端每按键一次,即按顺序连续播放八段的语音,以便听取语音组合时的合成效果。另外,K2端如果接按键,可以作为测试时的复位端使用。
在该串行模式下最大可分128段,K1为数据端,K2为时钟端,O1为忙信号端。时钟上升沿时数据端有效。语音段的地址为80H~FFH,第一段的地址是80H,按顺序排列,最多128段语音。外部单片机直接送入要放音的段号数据,播放,结束时PM50的忙信号拉低,在判断一段语音结束时,外部单片机再送下一段语音的段号。
单片机控制时序图如下,K2时钟为10HZ~100KHZ内均可,推荐1KHZ。

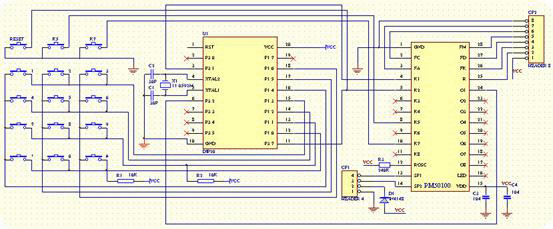
以下是一个89C2051单片机与PM50芯片接口的电路原理图,同时也是测试PM50语音合成效果的发码测试板,能够令用户选择播放PM50中的任意一段或多段的组合。其中89C2051单片机的源程序参见www.atvoc.com。

; 51单片机
; 汇编语言版本
k1 equ p1.7 ;k1脚
k2 equ p1.6 ;k2脚
o1 equ p3.2 ;o1脚
;初始化
org 0000h
mov p1,#0ffh
mov p3,#0ffh
mov sp,#60h
mov r6,#01h

fangyin: ;放音程序
mov a,r6 ;r6为需要放的段数
add a,#80h ;最高位置一
fang1: ;先给40毫秒以上的信号
clr k1
acall ys60 ;延时
setb k1
mov r7,#8 ;串行循环次数
fang2: ;串行送数据
acall ys10
clr k2
rrc a
mov k1,c
acall ys10
setb k2
djnz r7,fang2
acall ys10
jb o1,$ 等待o1信号
ajmp $
ys10: mov r6,#50 ;延时10ms
y1: mov r5,#100
y2: nop
djnz r5,y2
djnz r6,y1
ret
ys60: mov r4,#6 ;延时60ms
y6: acall ys10
djnz r4,y6
ret
end

1、 本站不保证以上观点正确,就算是本站原创作品,本站也不保证内容正确。
2、如果您拥有本文版权,并且不想在本站转载,请书面通知本站立即删除并且向您公开道歉! 以上可能是本站收集或者转载的文章,本站可能没有文章中的元件或产品,如果您需要类似的商品请 点这里查看商品列表!
本站协议 | 版权信息 |  关于我们 |  本站地图 |  营业执照 |  发票说明 |  付款方式 |  联系方式
深圳市宝安区西乡五壹电子商行——粤ICP备16073394号-1;地址:深圳西乡河西四坊183号;邮编:518102
E-mail:51dz$163.com($改为@);Tel:(0755)27947428
工作时间:9:30-12:00和13:30-17:30和18:30-20:30,无人接听时可以再打手机13537585389