注意:访问本站需要Cookie和JavaScript支持!请设置您的浏览器! 打开购物车 查看留言付款方式联系我们
初中电子 单片机教材一 单片机教材二
搜索上次看见的商品或文章:
商品名、介绍 文章名、内容
首页 电子入门 学单片机 免费资源 下载中心 商品列表 象棋在线 在线绘图 加盟五一 加入收藏 设为首页
本站推荐:
25. 点阵式LED“0-9”数字显示技术
文章长度[] 加入时间[2008/5/30] 更新时间[2026/5/30 11:26:25] 级别[0] [评论] [收藏]
 
1. 实验任务
利用8X8点阵显示数字0到9的数字。
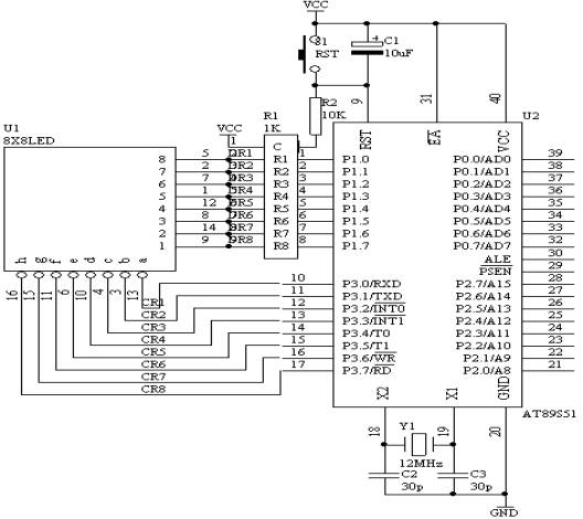
2. 电路原理图
图4.25.1
3. 硬件系统连线
(1).  把“单片机系统”区域中的P1端口用8芯排芯连接到“点阵模块”区域中的“DR1-DR8”端口上;
(2).  把“单片机系统”区域中的P3端口用8芯排芯连接到“点阵模块”区域中的“DC1-DC8”端口上;
4. 程序设计内容
(1).  数字0-9点阵显示代码的形成
如下图所示,假设显示数字“0”
1 2 3   4 5  6  7  8

00 00  3E  41  41  41  3E 00
因此,形成的列代码为 00H,00H,3EH,41H,41H,3EH,00H,00H;只要把这些代码分别送到相应的列线上面,即可实现“0”的数字显示。
送显示代码过程如下所示
送第一列线代码到P3端口,同时置第一行线为“0”,其它行线为“1”,延时2ms左右,送第二列线代码到P3端口,同时置第二行线为“0”,其它行线为“1”,延时2ms左右,如此下去,直到送完最后一列代码,又从头开始送。
数字“1”代码建立如下图所示1 2 3   4 5  6  7  8

其显示代码为 00H,00H,00H,00H,21H,7FH,01H,00H
数字“2”代码建立如下图所示
1 2 3   4 5  6  7  8

00H,00H,27H,45H,45H,45H,39H,00H
数字“3”代码建立如下图所示
1 2 3   4 5  6  7  8

00H,00H,22H,49H,49H,49H,36H,00H
数字“4”代码建立如下图所示
1 2 3   4 5  6  7  8

00H,00H,0CH,14H,24H,7FH,04H,00H
数字“5”代码建立如下图所示
1 2 3   4 5  6  7  8

00H,00H,72H,51H,51H,51H,4EH,00H
数字“6”代码建立如下图所示
1 2 3   4 5  6  7  8

00H,00H,3EH,49H,49H,49H,26H,00H
数字“7”代码建立如下图所示
1 2 3   4 5  6  7  8

00H,00H,40H,40H,40H,4FH,70H,00H
数字“8”代码建立如下图所示
1 2 3   4 5  6  7  8

00H,00H,36H,49H,49H,49H,36H,00H
数字“9”代码建立如下图所示
1 2 3   4 5  6  7  8

00H,00H,32H,49H,49H,49H,3EH,00H
5. 汇编源程序
TIM           EQU 30H
CNTA        EQU 31H
CNTB        EQU 32H
                   ORG 00H
                   LJMP START
                   ORG 0BH
                   LJMP T0X
                   ORG 30H
START:      MOV TIM,#00H
                   MOV CNTA,#00H
                   MOV CNTB,#00H
                   MOV TMOD,#01H
                   MOV TH0,#(65536-4000)/256
                   MOV TL0,#(65536-4000) MOD 256
                   SETB TR0
                   SETB ET0
                   SETB EA
                   SJMP $
T0X:
                   MOV TH0,#(65536-4000)/256
                   MOV TL0,#(65536-4000) MOD 256
                   MOV DPTR,#TAB
                   MOV A,CNTA
                   MOVC A,@A+DPTR
                   MOV P3,A
                   MOV DPTR,#DIGIT
                   MOV A,CNTB
                   MOV B,#8
                   MUL AB
                   ADD A,CNTA
                   MOVC A,@A+DPTR
            MOV P1,A
                   INC CNTA
                   MOV A,CNTA
                   CJNE A,#8,NEXT
                   MOV CNTA,#00H
NEXT:       INC TIM
                   MOV A,TIM
                   CJNE A,#250,NEX
                   MOV TIM,#00H
                   INC CNTB
                   MOV A,CNTB
                   CJNE A,#10,NEX
                   MOV CNTB,#00H
NEX:         RETI         
TAB:                   DB 0FEH,0FDH,0FBH,0F7H,0EFH,0DFH,0BFH,07FH
DIGIT:       DB 00H,00H,3EH,41H,41H,41H,3EH,00H
                   DB 00H,00H,00H,00H,21H,7FH,01H,00H
                   DB 00H,00H,27H,45H,45H,45H,39H,00H
                   DB 00H,00H,22H,49H,49H,49H,36H,00H
                   DB 00H,00H,0CH,14H,24H,7FH,04H,00H
                   DB 00H,00H,72H,51H,51H,51H,4EH,00H
                   DB 00H,00H,3EH,49H,49H,49H,26H,00H
                   DB 00H,00H,40H,40H,40H,4FH,70H,00H
                   DB 00H,00H,36H,49H,49H,49H,36H,00H
                   DB 00H,00H,32H,49H,49H,49H,3EH,00H
                   END
6. C语言源程序
#include <AT89X52.H>
unsigned char code tab[]={0xfe,0xfd,0xfb,0xf7,0xef,0xdf,0xbf,0x7f};
unsigned char code digittab[10][8]={         {0x00,0x00,0x3e,0x41,0x41,0x41,0x3e,0x00},     //0
                                    {0x00,0x00,0x00,0x00,0x21,0x7f,0x01,0x00},     //1
                                    {0x00,0x00,0x27,0x45,0x45,0x45,0x39,0x00},    //2
                                    {0x00,0x00,0x22,0x49,0x49,0x49,0x36,0x00},    //3
                                    {0x00,0x00,0x0c,0x14,0x24,0x7f,0x04,0x00},     //4
                                    {0x00,0x00,0x72,0x51,0x51,0x51,0x4e,0x00},    //5
                                    {0x00,0x00,0x3e,0x49,0x49,0x49,0x26,0x00},    //6
                                    {0x00,0x00,0x40,0x40,0x40,0x4f,0x70,0x00},     //7
                                    {0x00,0x00,0x36,0x49,0x49,0x49,0x36,0x00},    //8
                                    {0x00,0x00,0x32,0x49,0x49,0x49,0x3e,0x00}     //9
                                    };
unsigned int timecount;
unsigned char cnta;
unsigned char cntb;
void main(void)
{
  TMOD=0x01;
  TH0=(65536-3000)/256;
  TL0=(65536-3000)%256;
  TR0=1;
  ET0=1;
  EA=1;
  while(1)
    {;
    }
}
void t0(void) interrupt 1 using 0
{
  TH0=(65536-3000)/256;
  TL0=(65536-3000)%256;
  P3=tab[cnta];
  P1=digittab[cntb][cnta];
  cnta++;
  if(cnta==8)
    {
      cnta=0;
    }
  timecount++;
  if(timecount==333)
    {
      timecount=0;
      cntb++;
      if(cntb==10)
        {
          cntb=0;
        }
    }
}
1、 本站不保证以上观点正确,就算是本站原创作品,本站也不保证内容正确。
2、如果您拥有本文版权,并且不想在本站转载,请书面通知本站立即删除并且向您公开道歉! 以上可能是本站收集或者转载的文章,本站可能没有文章中的元件或产品,如果您需要类似的商品请 点这里查看商品列表!
本站协议 | 版权信息 |  关于我们 |  本站地图 |  营业执照 |  发票说明 |  付款方式 |  联系方式
深圳市宝安区西乡五壹电子商行——粤ICP备16073394号-1;地址:深圳西乡河西四坊183号;邮编:518102
E-mail:51dz$163.com($改为@);Tel:(0755)27947428
工作时间:9:30-12:00和13:30-17:30和18:30-20:30,无人接听时可以再打手机13537585389