进入框架页面 

11. 00-59秒计时器(利用软件延时)

1. 实验任务

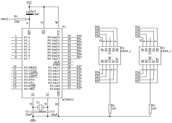
  如下图所示,在AT89S51单片机的P0和P2端口分别接有两个共阴数码管,P0口驱动显示秒时间的十位,而P2口驱动显示秒时间的个位。

2. 电路原理图

图4.11.1

3. 系统板上硬件连线

(1. 把“单片机系统”区域中的P0.0/AD0-P0.7/AD7端口用8芯排线连接到“四路静态数码显示模块”区域中的任一个a-h端口上;要求:P0.0/AD0对应着a,P0.1/AD1对应着b,……,P0.7/AD7对应着h。

(2. 把“单片机系统”区域中的P2.0/A8-P2.7/A15端口用8芯排线连接到“四路静态数码显示模块”区域中的任一个a-h端口上;要求:P2.0/A8对应着a,P2.1/A9对应着b,……,P2.7/A15对应着h。

4. 程序设计内容

(1. 在设计过程中我们用一个存储单元作为秒计数单元,当一秒钟到来时,就让秒计数单元加1,当秒计数达到60时,就自动返回到0,从新秒计数。

(2. 对于秒计数单元中的数据要把它十位数和个数分开,方法仍采用对10整除和对10求余。

(3. 在数码上显示,仍通过查表的方式完成。

(4. 一秒时间的产生在这里我们采用软件精确延时的方法来完成,经过精确计算得到1秒时间为1.002秒。

DELY1S: MOV R5,#100

D2: MOV R6,#20

D1: MOV R7,#248

DJNZ R7,$

DJNZ R6,D1

DJNZ R5,D2

RET

5. 程序框图

 

 

 

 

 

 

 

 

图4.11.2

6. 汇编源程序
Second EQU 30H
ORG 0
START: MOV Second,#00H
NEXT: MOV A,Second
MOV B,#10
DIV AB
MOV DPTR,#TABLE
MOVC A,@A+DPTR
MOV P0,A
MOV A,B
MOVC A,@A+DPTR
MOV P2,A
LCALL DELY1S
INC Second
MOV A,Second
CJNE A,#60,NEXT
LJMP START
DELY1S: MOV R5,#100
D2: MOV R6,#20
D1: MOV R7,#248
DJNZ R7,$
DJNZ R6,D1
DJNZ R5,D2
RET
TABLE: DB 3FH,06H,5BH,4FH,66H,6DH,7DH,07H,7FH,6FH
END
7. C语言源程序
#include <AT89X51.H>
unsigned char code table[]={0x3f,0x06,0x5b,0x4f,0x66,
0x6d,0x7d,0x07,0x7f,0x6f};
unsigned char Second;

void delay1s(void)
{
unsigned char i,j,k;
for(k=100;k>0;k--)
for(i=20;i>0;i--)
for(j=248;j>0;j--);
}


void main(void)
{
Second=0;
P0=table[Second/10];
P2=table[Second%10];
while(1)
{
delay1s();
Second++;
if(Second==60)
{
Second=0;
}
P0=table[Second/10];
P2=table[Second%10];
}
}


以上资料来自于互联网!编辑整理:五一电子加油站;网址:http://51dz.com
欢迎光临五一电子商城!免费学习电子技术,面向全国邮购电子元件、实验套件!